Цилиндрические вертикальные мотор-редукторы серии F, FA, FF, FAF позволяют рационально решить проблему присоединения агрегата к любому оборудованию и оптимизировать габаритные размеры всей конструкции. Благодаря разнообразию вариантов исполнения они широко применяются в качестве приводов промышленных смесителей, транспортеров, фрезерных станков, технологического и подъемно-транспортного оборудования.
Малогабаритный мотор редуктор серии F может использоваться для перемещения, смешивания и любых других видов движения во всех областях производства и строительства. Это и линии сборки автомобилей, и конвеерное производство, лифты, транспортеры, химические установки и многое другое.
Мотор-редукторы, маркированные буквой F, разделяются на группы в зависимости от особенностей конструкции. У каждого варианта исполнения есть свое условное буквенное обозначение: F, FA, FH, FV, FF, FT, FAF, FVF, FVZ, FHF, FAZ. Широкий линейный ряд и 11 типоразмеров позволяют выбрать модель, наилучшим образом удовлетворяющую потребности производства. Достоинствами моделей серии F являются:
— повышенная удельная мощность;
— способность воспринимать большие радиальные нагрузки;
— возможность выбора модели с пониженным люфтом (типоразмер 37 и выше);
— работа в режиме обратного хода.
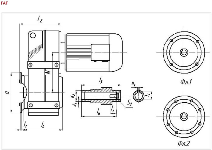
Пример условного обозначения при заказе: F 97.R17.22,11.66.15×1500.M1:
F — модель редуктора;
97 — габарит редуктора;
R 17 — цилиндрическая приставка (указывается при наличии);
22, 11 — передаточное число;
66 — обороты на выходном валу редуктора n вых, об/мин;
15х1500 — мощность и обороты электродвигателя;
М1 — монтажное исполнение;
Исполнение входного вала (указывается при наличии) AD- входной цилиндрический вал, AM –входной полый вал с присоединительным фланцем.
